产品展示
高精密夹紧缸
联系我们

台州市丰通机械有限公司
电话:0576-82587588
传真:0576-82580076
手机:13566656300
E-mail:742897365@qq.com
Website: www.ftclamp.com
地址:浙江省台州市路桥区西路桥大道880-8号

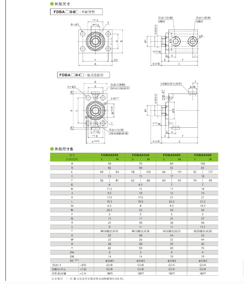
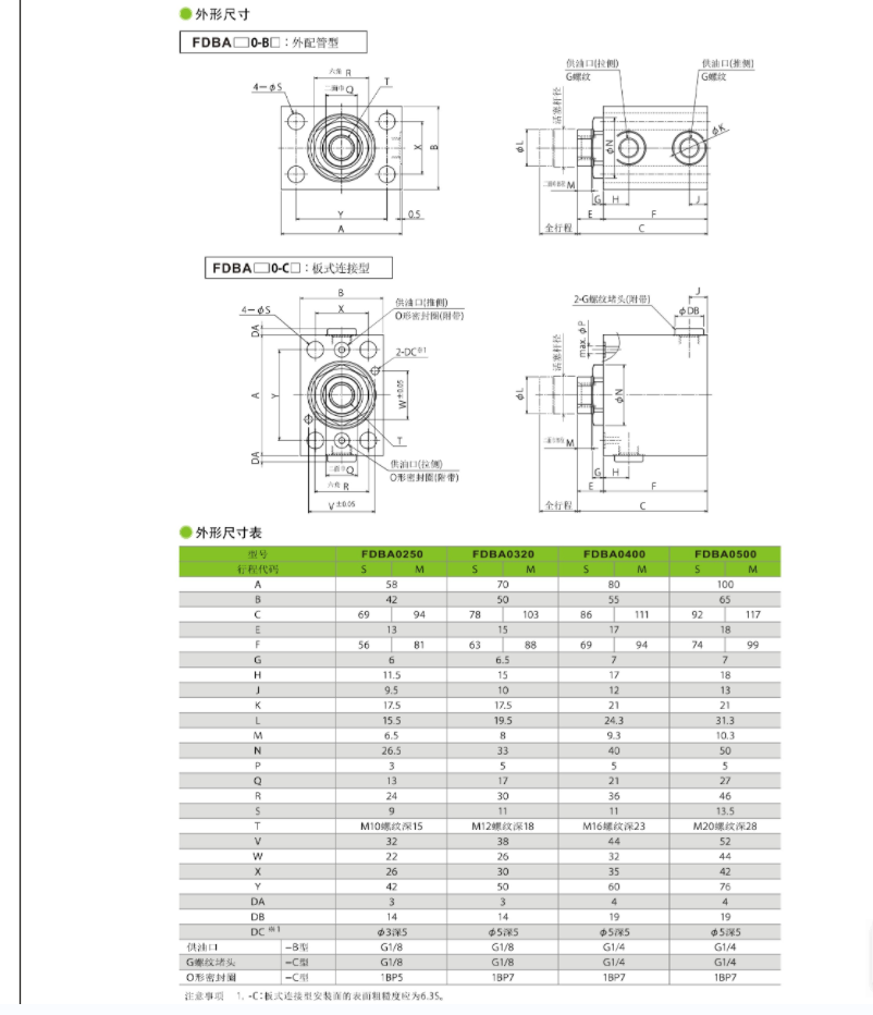
FDBA方型直线夹紧器

【简述】: