=3.1">

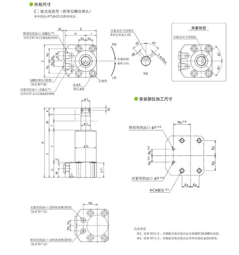
FTLA高压复动旋转式夹紧器

【简述】:

描述


相关产品