产品展示
高压夹具缸
联系我们

台州市丰通机械有限公司
电话:0576-82587588
传真:0576-82580076
手机:13566656300
E-mail:742897365@qq.com
Website: www.ftclamp.com
地址:浙江省台州市路桥区西路桥大道880-8号

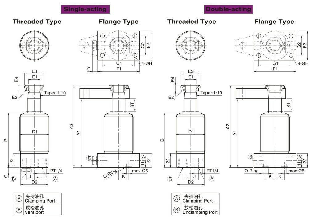
HPS高压转角缸

【简述】:
此型式油缸适用于夹持工件取放空间需保持静空,方便工件取放及高压夹持。
油压缸夹持动作为下压式,含有旋转行程(请勿夹持工件)以及垂直下压行程。
缸体内壁经特殊加工处理,表面光滑确保使用性能及寿命。
最大充油速度请参考特性资料,请勿使用过大充油速度,以免回转过快,如有回转不确实,请加装流量控制阀,降低充油速度。
压板长度及使用压力轻参考附件图所表示,请勿任意超长使用,