产品展示
空压夹具缸
联系我们

台州市丰通机械有限公司
电话:0576-82587588
传真:0576-82580076
手机:13566656300
E-mail:742897365@qq.com
Website: www.ftclamp.com
地址:浙江省台州市路桥区西路桥大道880-8号

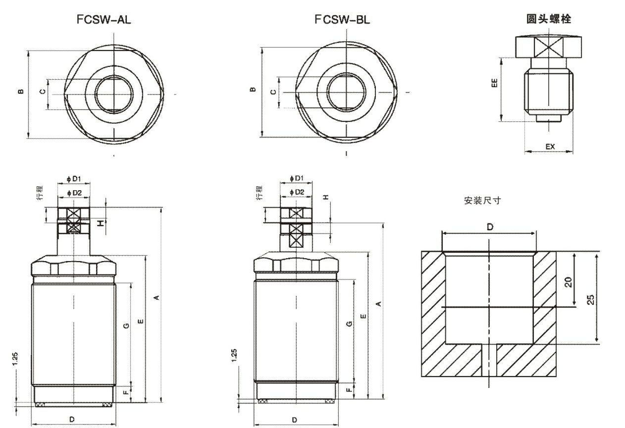
FCSW空压支撑缸

【简述】:
此系列产品结构紧凑,设计合理,使用寿命长,在0.4-1MPA工作下性能稳定。
根据不同厚薄工件,可更换活塞杆申出弹簧强弱。
活塞杆深处接触力小,0.2~0.6KG范围内,特别适用于薄型工件。
安装尺寸与目前市面销售产品相容,可互换。