产品展示
油压夹具缸
联系我们

台州市丰通机械有限公司
电话:0576-82587588
传真:0576-82580076
手机:13566656300
E-mail:742897365@qq.com
Website: www.ftclamp.com
地址:浙江省台州市路桥区西路桥大道880-8号

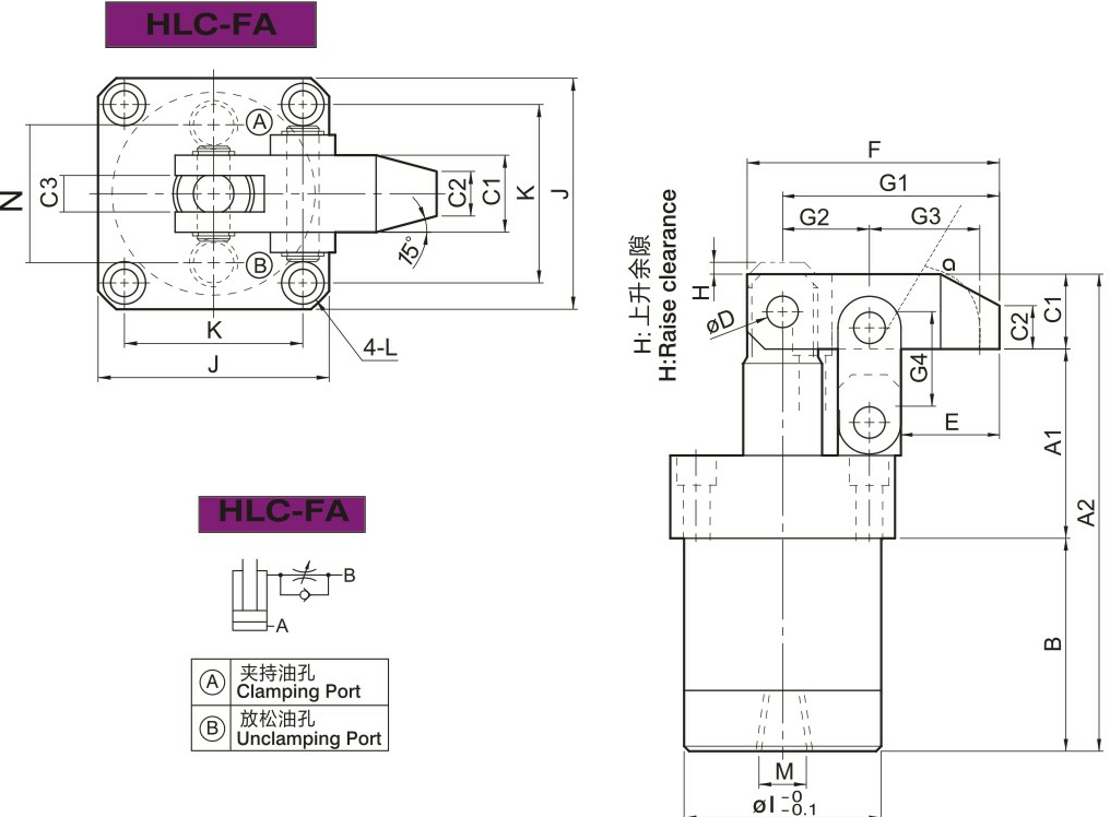
HLC-FA杠杆式油压缸法兰型

【简述】:
此形式油压缸,夹持机构为杠杆原理,活塞推出为夹紧状态,主要机构零件安装于缸体外部,易于维护。
缸体及夹持机构材料均采用机械制造构造用炭素钢,坚固耐用,使用寿命长。