产品展示
油压夹具缸
联系我们

台州市丰通机械有限公司
电话:0576-82587588
传真:0576-82580076
手机:13566656300
E-mail:742897365@qq.com
Website: www.ftclamp.com
地址:浙江省台州市路桥区西路桥大道880-8号

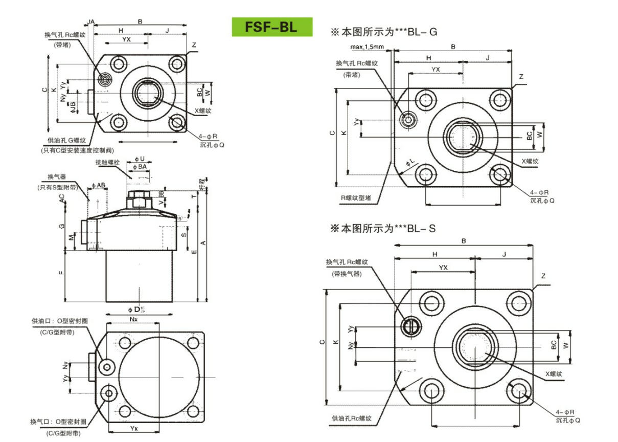
FSF上法兰油压支撑缸

【简述】:
此系列产品结构紧凑,设计合理,使用寿命长,在2-7MPa工作条件下性能稳定。
根据不同厚薄工件,可调节活塞杆伸出弹簧强弱。
活塞杆伸出接触力小,0.4~0.8KG范围内,使用于各种类型工件。
本产品支撑力大,在切削过程中能彻底消除机械负载及工件震动。
安装尺寸与目前市面销售产品相容,可互换。