产品展示
油压夹具缸
联系我们

台州市丰通机械有限公司
电话:0576-82587588
传真:0576-82580076
手机:13566656300
E-mail:742897365@qq.com
Website: www.ftclamp.com
地址:浙江省台州市路桥区西路桥大道880-8号

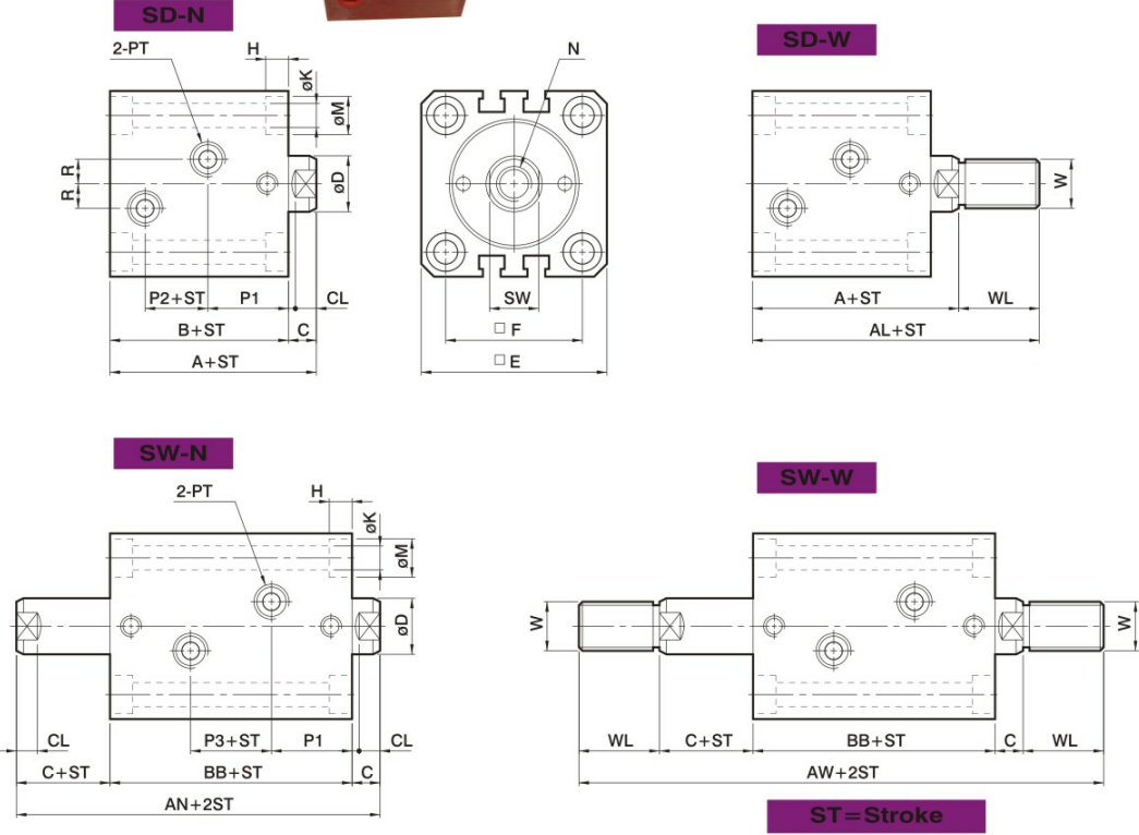
HTB140-SD/SW不锈钢薄型感应油缸配管式

【简述】:
体积小,节省空间,安装空间受限制的最佳选择。
标准化规格,直接安装,不需其它配件,降低成本。
缸体材质采用机械制造用炭素钢,内壁特殊加工处理,表面光滑,使用寿命长。
轴向,侧向油路板型,免配管提升整体美观